造纸设备
制浆设备
碳酸钙及石灰水处理设备
高浓重质除渣器
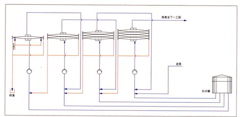
TPC平列式双向除渣器

凯瑞公司TPC—CLEANER平列式双向除渣器是在广泛吸收国内外先进技术的基础上开发研制而成的新型高效除渣器。
可广泛应用于各种纸浆中对细小残渣的清理与分离.是多种制浆设备配套和技术改造中不可缺少的除渣装置.特别适用于纸机流送系统。
TPC—CLEANER平列式双向除渣器采用模块化的结构设计,平列式安装,垂直向上组合扩展,其结构简洁紧凑.可根据用户对产量需求的不同.组合而成多种组数。
主要特点
采用高耐磨性特殊材质,经久耐用
采用先进的离心净化技术,效率高,成浆洁净度高
低压力降,减少系统动力消耗
排列紧凑,减少占地面积
锥端可视观察孔,可随时观察尾浆情况
封闭式排渣,操作环境更洁净
分体式结构.便于拆装和更换
主要技术参数
单只通过量:780L/min
进浆压力:200—260KPa
良浆压力:40—60KPa
进浆浓度:0.5—0.9%
工艺流程示意图

【返回 】
